Ai đã phát minh ra robot Công Nghiệp – Lịch Sử, Cột Mốc Quan Trọng Và Tương Lai Tự Động Hóa
21/06/2025 Tin tức
Ai đã phát minh ra robot Công Nghiệp – Lịch Sử, Cột Mốc Quan Trọng Và Tương Lai Tự Động Hóa
I. Giới thiệu về robot công nghiệp Trong thời đại công nghiệp hiện đại, robot công nghiệp đã trở thành trung tâm của các dây chuyền sản xuất thông minh. Không còn là hình ảnh viễn tưởng, chúng giờ đây là công cụ thực tiễn giúp doanh nghiệp tăng tốc sản xuất, giảm sai sót […]
Mã lỗi AGV phổ biến & cách xử lý không thể bỏ qua
18/04/2025 Tin tức
Mã lỗi AGV phổ biến & cách xử lý không thể bỏ qua
Mã lỗi AGV  là những thông báo quan trọng xuất hiện trong quá trình vận hành xe tự hành AGV. Việc hiểu rõ các mã lỗi này giúp người vận hành xử lý nhanh chóng, đảm bảo thiết bị hoạt động an toàn và hiệu quả. Dưới đây là bảng tổng hợp các mã lỗi, […]
10 Lợi ích của việc thuê ngoài thiết kế và bản vẽ máy móc
01/03/2025 Tin tức
10 Lợi ích của việc thuê ngoài thiết kế và bản vẽ máy móc
Trong bối cảnh kinh doanh ngày càng cạnh tranh và thay đổi nhanh chóng, việc thuê ngoài thiết kế và bản vẽ máy móc đã trở thành một giải pháp chiến lược quan trọng cho nhiều doanh nghiệp. Bài viết này sẽ làm rõ những lợi ích mà doanh nghiệp có thể đạt được khi […]
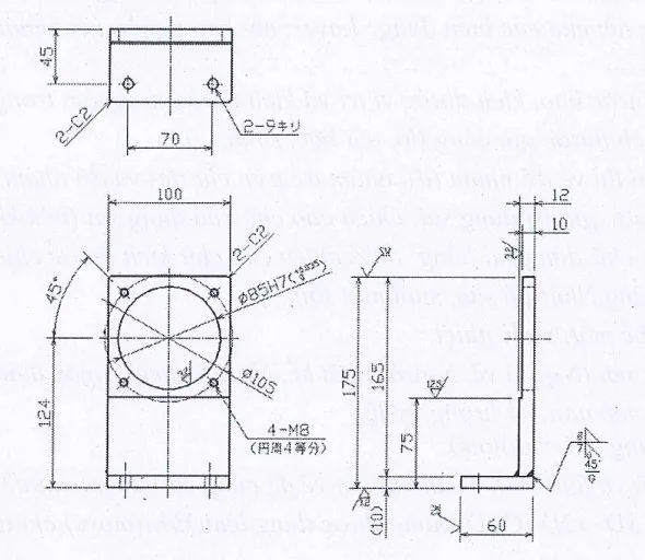
Cách đọc bản vẽ cơ khí của Nhật (JIS)
25/01/2025 Tin tức
Cách đọc bản vẽ cơ khí của Nhật (JIS)
Hiểu và đọc bản vẽ cơ khí của Nhật theo tiêu chuẩn JIS (Japanese Industrial Standards) luôn là thách thức đối với nhiều người. Để giúp bạn làm quen và nắm vững cách đọc các bản vẽ của Nhật (JIS) một cách dễ dàng và chính xác, bài viết này sẽ cung cấp hướng dẫn […]
Tổng Quan Về Công Nghệ Gia Công Lỗ Sâu
20/12/2024 Tin tức
Tổng Quan Về Công Nghệ Gia Công Lỗ Sâu
I. CÓ BAO NHIÊU PHƯƠNG PHÁP KHOAN LỖ TRONG GIA CÔNG CƠ CHÍNH XÁC? Hãy cùng tìm hiểu trong bài viết này. Gia công lỗ là phương pháp mở lỗ hình trụ bằng dụng cụ cắt, bao gồm gia công lỗ nông và gia công lỗ sâu. Trong ngành công nghiệp cơ khí chính xác, […]
Vận Dụng PokaYoke Trong Gia Công & Thiết Kế
20/12/2024 Tin tức
Vận Dụng PokaYoke Trong Gia Công & Thiết Kế
I. PokaYoke là gì? PokaYoke là một thuật ngữ xuất phát từ tiếng Nhật, mang ý nghĩa là phòng ngừa sai sót hay chống lỗi. Phương pháp này được phát triển bởi Shigeo Shingo, một nhà tư vấn quản lý, và được tích hợp vào hệ thống sản xuất của Toyota. Mục tiêu của Poka […]
Tổng Quan Về Barashi Bản Vẽ Chi Tiết (Phần 2/2)
17/12/2024 Tin tức
Tổng Quan Về Barashi Bản Vẽ Chi Tiết (Phần 2/2)
3.3. Các tiêu chuẩn cơ bản 3.3.1 Tiêu chuẩn về lỗ ren, lỗ tròn, lỗ bậc, lỗ côn Tài liệu thì tham chiếu với tài liệu “Tiêu chuẩn Kỹ thuật” về “Tiêu chuẩn ren”. 3.3.2 Tiêu chuẩn về các phụ kiện khác Tài liệu thì tham chiếu với tài liệu “Tiêu chuẩn Kỹ thuật” về […]
Dịch vụ thiết kế máy móc: Việt Nam là sự lựa chọn hàng đầu
16/12/2024 Tin tức
Dịch vụ thiết kế máy móc: Việt Nam là sự lựa chọn hàng đầu
Ngành công nghiệp thiết kế máy móc tại Việt Nam đang phát triển mạnh mẽ và khẳng định vị thế trên thị trường quốc tế. Với sự phát triển mạnh mẽ về kỹ thuật và công nghệ, các doanh nghiệp Việt Nam không chỉ cung cấp giải pháp chất lượng cao mà còn đảm bảo […]
Mô hình Offshore – Giải pháp linh hoạt giúp doanh nghiệp tối ưu thiết kế và nhân sự
16/12/2024 Tin tức
Mô hình Offshore – Giải pháp linh hoạt giúp doanh nghiệp tối ưu thiết kế và nhân sự
Mô hình offshore tập trung vào việc cung cấp dịch vụ thiết kế từ xa, tận dụng đội ngũ kỹ sư tại các quốc gia có chi phí nhân sự thấp như Việt Nam, nhưng vẫn đảm bảo chất lượng công việc và tuân thủ các tiêu chuẩn quốc tế. Các kỹ sư thiết kế […]
Tổng Quan Về Barashi Bản Vẽ Chi Tiết (Phần 1/2)
16/12/2024 Tin tức
Tổng Quan Về Barashi Bản Vẽ Chi Tiết (Phần 1/2)
I. Khái niệm về Barashi Để có được một cái máy, 1 thiết bị hay một dây chuyền thì phải trải qua nhiều công đoạn mới có được. Đầu tiên là ý tưởng thiết kế ⇒ Thiết kế bản vẽ lắp (2D hoặc 3D) ⇒ Làm bản vẽ chi tiết (hay còn được gọi là […]